郵便番号・バーコードマニュアル
バーコード(2/4)
カスタマバーコード
カスタマバーコードの形
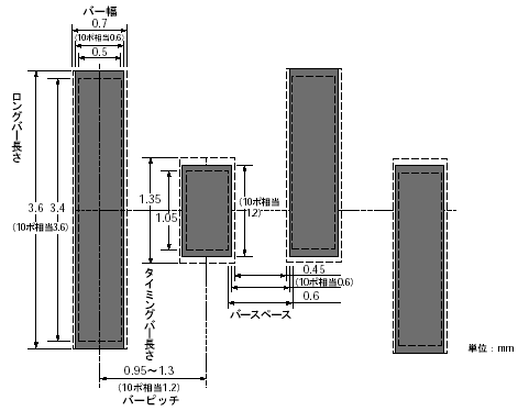
カスタマバーコードは、上下にバーを延ばしたロングバー、上方向のみにバーを延ばしたセミロングバー(上)、下方向のみにバーを延ばしたセミロングバー(下)およびタイミングバーの4つの形状のバーを3本組み合わせて1つのキャラクタを表す4ステイト3バーとします。

カスタマバーコードの体系について

〔カスタマバーコードの寸法〕(10ポ相当)

〔バー印刷のはみ出しに関する許容範囲〕
バー一本一本に関しては、各ポイントにおける許容最少範囲内をバーが満たし、そこからの凸部分が許容最大範囲内に納めてください。
〔バーコードの基準線からのばらつきに関する許容範囲〕

